صُممت مضخات الصرف الصحي المغمورة المقاومة للانسداد للعمل تحت السائل، مما يُتيح النقل على مستوى منخفض. يتميز تصميمها الهيكلي بعمود طويل مُثبت بذراع. يجب أن يكون عمق الغمر محددًا بدقة بمترين، لأن تجاوز هذا الحد يُسبب انخفاضًا كبيرًا في الكفاءة. ومع ذلك، يكمن التحدي الرئيسي في تصميم العمود المرن. أثناء التشغيل، تتعرض المحامل للتآكل المستمر من جانب واحد، مما يؤدي إلى اهتزازها وتفاقم دورة التآكل، مما يؤدي إلى ارتفاع مُستمر في معدلات الأعطال. علاوة على ذلك، تقع المكونات المعرضة للتآكل بشكل رئيسي تحت السائل، مما يُصعّب عملية الفك والصيانة.
يُمثل تطوير مضخات التحضير الذاتي تقدمًا ثوريًا على أنظمة الضخ التقليدية. أولًا، تُغني هذه المضخات عن الأعمدة الطويلة والمحامل المُزعجة الموجودة في مضخات الصرف الصحي المغمورة غير القابلة للانسداد. ثانيًا، تبقى مكوناتها الرئيسية فوق مستوى سطح الأرض، دون أي أجزاء ميكانيكية مغمورة في الوسط المُنقول. يُتيح هذا التصميم صيانة وإصلاحات أسرع وأسهل. علاوة على ذلك، تُحقق هذه المضخات تحسنًا ملحوظًا في ارتفاع الرفع، حيث يصل أقصى شفط إلى حوالي 7 أمتار (أعلى في التكوينات المُخصصة)، مما يُمثل نقلة نوعية مُقارنةً بمضخات الصرف الصحي المغمورة غير القابلة للانسداد.
تعمل مضخة التحضير الذاتي وفق مبدأ فريد، حيث تستخدم دوافع حاصلة على براءة اختراع وأقراص فصل لتحقيق فصل قسري بين الغاز والسائل أثناء الشفط. يشبه تصميمها وحجمها ووزنها وكفاءتها إلى حد كبير مضخات الأنابيب. لا تتطلب هذه المضخة أي معدات مساعدة مثل صمامات القدم، أو صمامات التفريغ، أو فواصل الغاز. أثناء التشغيل العادي، تُغني هذه المضخة عن الحاجة إلى تحضير السوائل، وتتميز بقدرة تحضير ذاتية استثنائية تُغني بفعالية عن مضخات الصرف الصحي الغاطسة غير المسدودة الشائعة الاستخدام (مضخات نقل السوائل منخفضة المستوى). كما يُمكن استخدامها كمعدات مساعدة للفواصل، ومضخات نقل الصهاريج، ومضخات الأنابيب ذاتية التحضير، والمضخات الآلية.
من مزايا المضخة ذاتية التحضير، أو ميزتها الرئيسية، إمكانية تشغيلها مباشرةً بعد ملء حجرة المضخة بالسائل (بمدة تشغيل جافة لا تتجاوز 7 دقائق). هذا يمنع الحوادث الناتجة عن التشغيل غير المقصود التي قد تؤدي إلى احتراق المحرك أثناء التشغيل الجاف، مما يقلل بشكل كبير من مخاطر التشغيل ويعزز كفاءة المضخة.
مزايا وعيوب مضخة الصرف الصحي المغمورة غير القابلة للانسداد
المزايا
1. يتم تركيب مضخة الصرف الصحي المغمورة غير المسدودة مباشرة على مخزن الوسيط الذي سيتم نقله، دون مساحة أرضية إضافية.
٢. تتميز مضخة الصرف الصحي التقليدية المغمورة المقاومة للانسداد بمروحة طرد مركزي مزدوجة التوازن فريدة من نوعها، تُنتج وسائط نظيفة تحتوي على جسيمات صلبة مع انخفاض استثنائي في الاهتزاز والضوضاء مع الحفاظ على كفاءة عالية. عند استخدام المروحة المفتوحة مزدوجة التوازن، تنقل المضخة بفعالية السوائل الملوثة التي تحتوي على جسيمات صلبة وألياف قصيرة، مما يضمن تشغيلًا سلسًا دون انسداد.
العيوب
1. من الضروري زيادة الخزان الوسيط، ويجب التحكم في مستوى السائل في الخزان الوسيط أثناء التشغيل؛
2. الصيانة معقدة وتتطلب استبدال الأختام بشكل منتظم.
3. معدل صيانة مرتفع وتكلفة عالية؛
4. تحتاج إلى هواء مختوم؛
5. مضخة الصرف الصحي المغمورة التقليدية غير القابلة للانسداد ليست مناسبة لنقل المواد القابلة للاشتعال والانفجار.
6. إن النوع الجديد من مضخات الصرف الصحي المغمورة غير القابلة للانسداد غير مناسب لنقل المواد شديدة التآكل مع الجسيمات.
لمضخات الصرف الصحي الغاطسة المقاومة للانسداد مزايا وعيوب مختلفة، بل إن عيوبها أكثر من مزاياها. في الوقت نفسه، تحظر العديد من الصناعات الآن استخدام مضخات الصرف الصحي الغاطسة المقاومة للانسداد، وتستبدلها بمضخات ذاتية الشفط، وقد لا يكون ذلك راجعًا بالكامل إلى صعوبة صيانتها بسبب بنيتها.
سبب ارتفاع ضوضاء مضخة الصرف الصحي المغمورة غير المسدودة
1. الجوانب الميكانيكية
الكتلة غير المتوازنة للأجزاء الدوارة لمضخة الصرف الصحي المغمورة غير المسدودة المصنوعة من البلاستيك المقوى بألياف الزجاج، وسوء جودة الإنتاج الخام، وسوء جودة التركيب، والعمود غير المتماثل للوحدة، والتأرجح الذي يتجاوز القيمة المسموح بها، والقوة الميكانيكية الضعيفة وصلابة الأجزاء، وتآكل وتلف أجزاء المحمل والختم، وما إلى ذلك، سوف تنتج اهتزازًا قويًا.
2. جودة مضخة المياه والجوانب الأخرى
التصميم غير المنطقي لقناة المدخل يُؤدي إلى تدهور ظروف المدخل وتوليد الدوامات، مما يؤدي إلى اهتزاز العمود الطويل. مضخة صرف صحي مغمورة غير مسدودةكما أن الاستقرار غير المتساوي للأساس الذي يدعم مضخة الصرف الصحي المغمورة غير المسدودة والمحرك سيؤدي أيضًا إلى الاهتزاز.
3. أسباب تلف محمل مضخة الصرف الصحي المغمورة غير المسدودة
تضرر المحمل نتيجة التشغيل المطول لمضخة الصرف الصحي المغمورة غير المسدودة، مما أدى إلى جفاف زيت التشحيم. حدد مصدر الصوت بعناية واستبدل المحمل.
4. بسبب العوامل الهيدروليكية
الأسباب الأكثر شيوعًا للاهتزاز في وحدة مضخة الصرف الصحي المغمورة غير المسدودة هي التجويف وتقلب الضغط في خط الأنابيب.
5. الجوانب الكهربائية
المحرك هو الجهاز الرئيسي للوحدة. غالبًا ما يُسبب اختلال التوازن المغناطيسي داخل المحرك واختلال توازن الأنظمة الكهربائية الأخرى اهتزازًا وضوضاء.
6. أسباب اهتزاز المكره لمضخة الصرف الصحي المغمورة غير المسدودة
تهتز صامولة المكره لمضخة الصرف الصحي المغمورة غير المسدودة المقاومة للتآكل بسبب التآكل أو الانقلاب، مما يتسبب في حركة كبيرة للمكره، مما يؤدي إلى اهتزاز وضوضاء مفرطة.
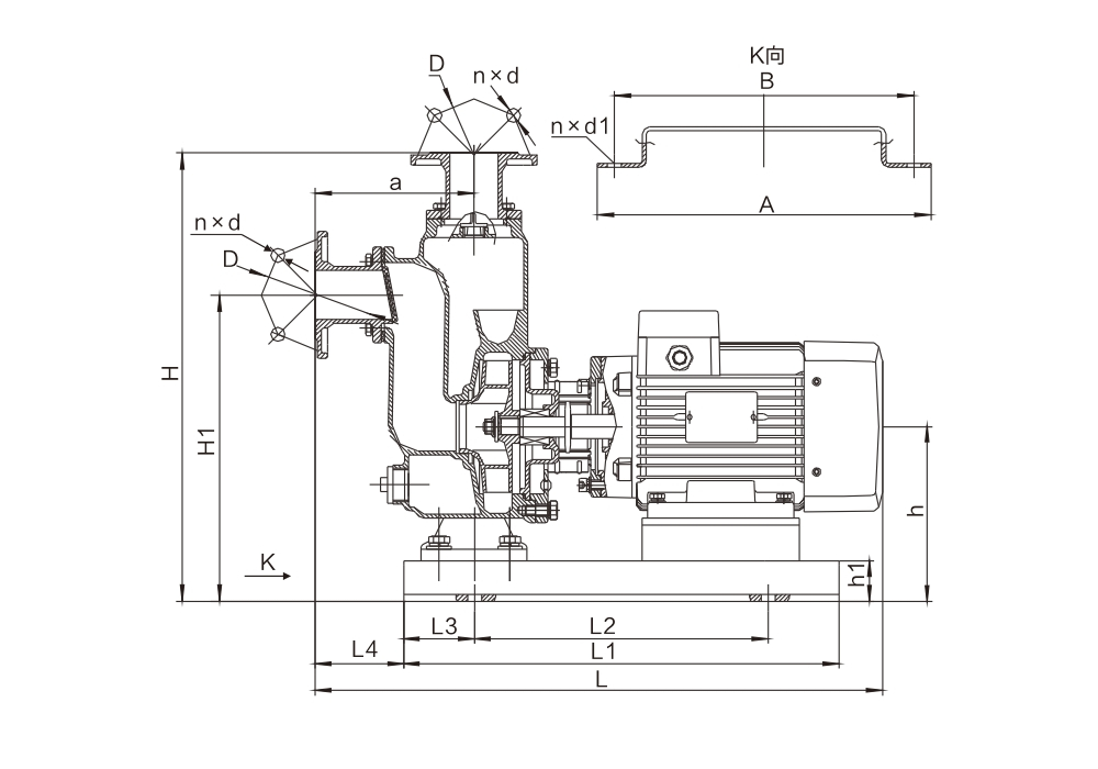
احتياطات ومخطط تركيب مضخة الشفط الذاتي
ملاحظات التركيب للمضخات ذاتية التحضير
١. قبل تركيب مضخة ذاتية التحضير، يُنصح بإنشاء أساس خرساني يتناسب مع أبعاد قاعدتها، مع تثبيت مسامير التثبيت مسبقًا أثناء العملية. صُمم هذا الأساس خصيصًا للمضخات ذاتية التحضير الكبيرة، حيث لا تتطلب الموديلات الأصغر حجمًا مثل هذا الأساس.
2. قبل تركيب مضخة التحضير الذاتي، افحص جميع البراغي بعناية بحثًا عن أي ارتخاء وافحص جسم المضخة بحثًا عن أي أجسام غريبة لمنع تلف الدافع أثناء التشغيل.
٣. ثبّت مضخة التحضير الذاتي على القاعدة الخرسانية، ثم ضع وسادة عازلة بين صفيحة القاعدة والقاعدة، واضبط ارتفاع الوسادة لمحاذاة المضخة أفقيًا. بعد الضبط، شدّ البراغي.
٤. يجب ألا تُسند المضخة نفسها أنابيب الشفط والتفريغ، بل تتطلب دعامات منفصلة لضمان محاذاة مثالية. يجب أن يتوافق قطر كلٍّ من أنابيب المدخل والمخرج مع مواصفات المضخة، مع إيلاء اهتمام خاص لأنبوب المدخل. أي انخفاض في القطر أثناء التركيب سيؤثر سلبًا على ارتفاع المضخة ذاتية التحضير. في حال تركيب أنبوب المدخل بقطر أصغر، يجب أيضًا تقليل قطر أنبوب المخرج بشكل متناسب. نوصي باستخدام أنابيب بأقطار مطابقة لمواصفات الشركة المصنعة القياسية لتحقيق الأداء الأمثل.
5. عند مواجهة مضخة ذاتية التحضير مع وجود غطاء مانع للغبار عند مدخل/مخرج المضخة، انزع الغطاء ووصله بالأنبوب. يُرجى ملاحظة أنه في حالة استخدام مضخة ذاتية التحضير ذات شفط سريع للماء، يجب أن يمتد أنبوب المخرج عموديًا لأعلى لمسافة متر واحد على الأقل قبل الانحناء. وإلا، فقد يُصرّف الماء من جسم المضخة بالكامل أثناء عملية التحضير.
٦. لتسهيل الصيانة وسلامة التشغيل، يُركّب صمام تنظيم عند مدخل ومخرج مضخة التحضير الذاتي. كما يجب وضع مقياس ضغط بين صمام المخرج والمضخة لضمان عملها ضمن نطاق التدفق والضغط المُصنّف، مما يضمن التشغيل العادي ويطيل عمرها الافتراضي.
٧. قبل تشغيل مضخة التحضير الذاتي بعد التركيب، أدر عمود المضخة واملأ حجرة المضخة بالسائل لضمان تصريف كامل. افحص المضخة بحثًا عن أي تسريبات وتأكد من عدم وجود احتكاك أو انحشار في المروحة. في حال اكتشاف أي مشاكل، فكّك المضخة لتشخيص المشكلة وحلها.
احتياطات استخدام مضخة الشفط الذاتي
١. قبل استخدام مضخة ذاتية التحضير، تأكد من امتلاء حجرة المضخة بالسائل تمامًا. لا تشغّل المضخة وهي جافة. مع ذلك، إذا كانت المضخة مصممة للتشغيل الجاف، فيمكن استخدامها بدون سائل.
٢. قبل استخدام مضخة التحضير الذاتي، افتح صمامي الدخول والخروج. بعد توصيل مصدر الطاقة، اضغط على زر التشغيل للتحقق من دوران المحرك في الاتجاه الصحيح.
٣. يجب عدم إغلاق صمام مخرج مضخة الشفط الذاتي تمامًا عند الاستخدام. في حال الحاجة إلى إيقاف ضخ السائل، يجب إغلاق صمام المدخل، ولكن يجب ألا تتجاوز المدة دقيقتين. في حال تجاوزها، يجب إيقاف الجهاز لتجنب تلف مضخة الشفط الذاتي.
٤. بعد إيقاف مضخة التحضير الذاتي، أغلق صمامي المدخل والمخرج تمامًا. بالنسبة للوسائط المعرضة للتصلب، أغلق صمام المدخل أولًا واترك المضخة تعمل لمدة دقيقة إلى دقيقتين لتصريف السائل من حجرة المضخة.
أسباب وحلول فشل مضخة الشفط الذاتي
1. تفشل مضخة التحضير الذاتي في سحب المياه لأن أنبوب الشفط الخاص بها غير محكم الغلق، مما يتسبب في بقاء المضخة في حالة شفط هواء مستمرة.
الحل: افحص أنبوب مدخل مضخة الشفط الذاتي، وأصلح نقطة التسريب في الختم، مثل مكان اللحام، ووصلة الأنبوب، وأي أماكن أخرى يُشتبه بوجود تسريب فيها. افحصها بعناية، على سبيل المثال، يمكنك تشغيلها لمدة 5 دقائق تقريبًا ثم إيقافها. استمع إلى صوت الشفط بالقرب من الأنبوب.
2. بعد فترة من الاستخدام، سوف تعاني مضخة الشفط الذاتي من التآكل أو التآكل، وسوف يتسرب الماء من الختم الميكانيكي، وهو ما سيكون السبب في عدم قدرة مضخة الشفط الذاتي على امتصاص الماء.
الحل: استبدال الجزء التالف بجزء جديد.
3. السبب وراء عدم قدرة مضخة الشفط الذاتية على امتصاص الماء هو أن خط الأنابيب أو الصمام السفلي أو حتى جسم المضخة مسدود بسبب كمية كبيرة من الشوائب في السائل المنقول.
الحل: ابحث عن نقطة الانسداد المحددة وقم بتنظيف الحطام لحل المشكلة.
٤. قد يؤدي التركيب غير السليم لأنابيب المياه المستوردة، مثل استخدام أكواع زائدة (يجب ضبط عددها إلى ١-٢)، أو استخدام أكواع بزاوية ٤٥ درجة مع وجود أكواعين، إلى تعطل مضخة التحضير الذاتي عن سحب المياه. كما أن زيادة قطر الأنبوب بشكل عشوائي دون مطابقة مواصفات المضخة قد تؤدي أيضًا إلى هذه المشكلة.
٥. إذا لم تتمكن مضخة التحضير الذاتي من سحب الماء أثناء تشغيلها الثاني بعد الشفط الأولي، فهذا يدل على دخول الهواء إلى هيكل المضخة. يحدث هذا عادةً عندما لا يحتوي أنبوب المخرج على صمام مانع للتسرب، مما يسمح بدخول الهواء عبر الوصلة الجوية. بعد إيقاف التشغيل، قد يتدفق الماء عائدًا ويُحبس الهواء داخل المضخة. لحل هذه المشكلة، يجب تجهيز المضخة بالماء قبل إعادة تشغيلها لإخراج الهواء المحبوس وضمان دخول الماء بشكل صحيح.
الحل لهذا النوع من المضخات ذاتية التحضير هو تركيب صمام كروي عند المخرج وإغلاق صمام المخرج قبل إيقاف المضخة.
6. عند تركيب مضخة التحضير الذاتي واستخدامها، يتجاوز ارتفاع شفط المياه ارتفاع الشفط المسموح به للمضخة.
من المستحسن استبدال مضخة التحضير الذاتي بمضخة تحضير ذات ارتفاع تحضير ذاتي أعلى أو استخدام مضخة صرف صحي مغمورة غير مسدودة بدلاً من ذلك.



تعليمات التشغيل والصيانة لمضخة الصرف الصحي المغمورة غير القابلة للانسداد
تعليمات التشغيل وملاحظات الانتباه
1.قبل التشغيل، تأكد جيدًا من عدم وجود أي ضرر في المضخة أو المحرك، وحالة قطع التثبيت.
2.أدر المضخة للتحقق من وجود أي صوت احتكاك، وكذلك من مركزية عمود المضخة وعمود المحرك. يجب ألا يتجاوز الانحراف الأسطواني للوصلتين 0.5 مم.
3.يجب دعم خط الأنابيب المتصل بمخرج السائل بشكل منفصل، ولا يجوز وضع وزنه على جسم المضخة.
4.باستثناء الحالات الخاصة، يجب أن تكون المضخة مزودة بخزانة تحكم أوتوماتيكية بالكامل. يُمنع توصيلها مباشرةً بشبكة الكهرباء أو باستخدام مفتاح التشغيل لضمان التشغيل الطبيعي.
5.لا تدع المضخة تعمل دائمًا بضغط منخفض. عادةً، يجب ألا يقل ضغط الخدمة عن 60% من الضغط المقدر، ويُفضل التحكم فيه ضمن نطاق ضغط الخدمة المقترح، لتجنب احتراق المحرك بسبب زيادة تحميل المضخة.
صيانة
1.يجب أن يتم إدارة المضخة وتشغيلها بواسطة شخص متخصص، والذي يجب عليه التحقق بانتظام من الدائرة وظروف عمل المضخة.
2.في كل مرة بعد الاستخدام، وخاصة بعد استخدامها للتعامل مع المواد المصلية اللزجة، اترك المضخة تعمل لعدة دقائق في ماء نظيف لتجنب أي شيء يترسب داخل المضخة وللحفاظ على نظافة المضخة.
3.عادة، بعد 300-500 ساعة عمل، يتم ملء أو استبدال الزيت في الغرفة بزيت 10-30#، وبالتالي الحفاظ على التشحيم الجيد في الختم الميكانيكي وتحسين عمر خدمة الختم الميكانيكي.
4.يتم إجراء حلقة الختم بين الدافع وجسم المضخة للختم، والتي يمكن أن تؤثر بشكل مباشر على أداء المضخة في حالة تلفها، ويجب استبدالها إذا لزم الأمر.

